- Home
- Quick - Fit Clip Ducting
- Quick-Fit SBBA Manual Damper – Galvanised – Nordfab
Quick-Fit SBBA Manual Damper – Galvanised – Nordfab
Quick-Fit SBBA Manual Damper – Galvanised – Nordfab
Couldn't load pickup availability

Explore tool specifications
Description
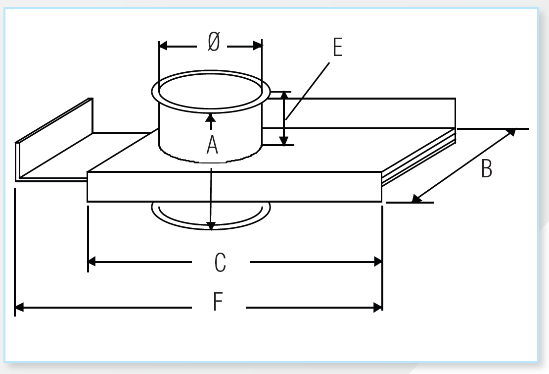
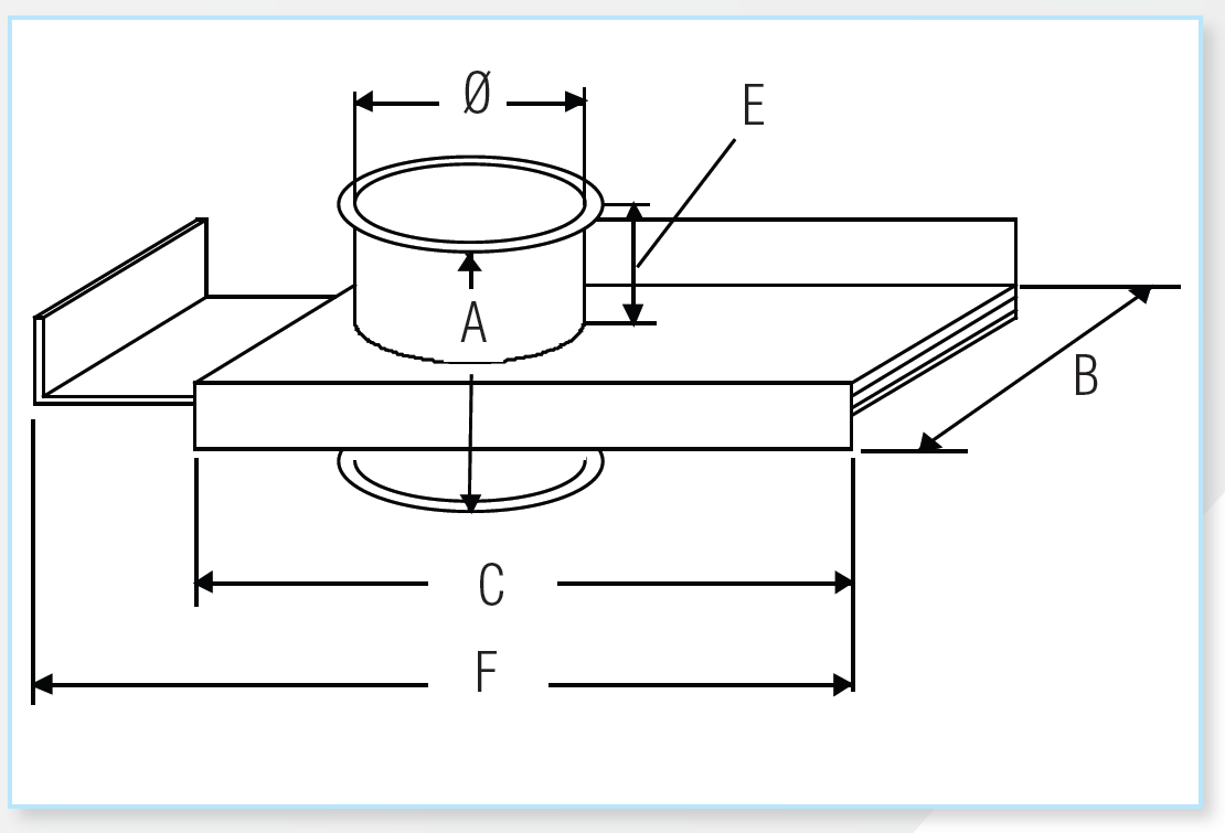
SBBA Circular Slide Damper – Nordfab®
Description:
The SBBA Circular Slide Damper provides a tight, airtight closure for dust extraction systems. In the closed position, the damper is completely silent and airtight. In the open position, there is no damper blade in the air stream, making it ideal for dust-laden air systems. Perfect for closing extraction points on machinery or in workplaces that are not currently in use.
Nordfab® QF® Ducting – The reliable solution for general-purpose dust extraction. Our clipped and flanged ducting offers a complete range of diameters and accessories for fast, professional installations. The distinctive rolled edge ensures secure joining with the Quick-Fit® Clip (sold separately).
Durable and High-Performance: Manufactured from galvanised or stainless steel with laser-welded seams on straight duct sections, providing smooth internal surfaces and enhanced leak resistance.
Industries That Trust Quick-Fit®:
-
Woodworking & Furniture
-
Metalworking & Automotive
-
Concrete & Recycling
-
Plastics & Textiles
-
Powder, Bulk, & Solids Handling
-
Agriculture, Paper & Chemical Processing
-
Ventilation & More
SBBA Circular Slide Damper – Airtight, Silent, and Built for Dusty Environments.
Material Composition
Product Specifications
UK's #1 Ducting Supplier
Experience superior quality
Our ducting and ventilation products are built for durability and performance, helping every project run smoothly and safely.
Durable ducting, smooth airflow, efficient installation – built to get the job done.
Durable ducting, smooth airflow, efficient installation – built to get the job done.
Durable ducting, smooth airflow, efficient installation – built to get the job done.
Durable ducting, smooth airflow, efficient installation – built to get the job done.
FAQs about ducting
What types of ducting do you supply?
We supply a full range of ducting, including round ducting, rectangular ducting, spiral ducting, and fabricated bends. Our products are suitable for residential, commercial, and industrial HVAC and ventilation projects.
How do I choose the right ducting size?
The correct size depends on airflow requirements, duct run length, and the number of bends. For guidance, check our duct sizing guide or contact our team for expert advice.
Can I order ducting online for delivery?
Yes. We offer fast, reliable UK delivery for all ducting products, including custom sizes and specialized fittings.
What materials are your ducting products made from?
Our ducting is made from high-quality galvanized steel, aluminium, or rigid plastic, depending on the product and application. All materials are durable and built for long-term performance.
Do you offer custom ducting sizes?
Yes. We can supply custom ducting and fabricated bends to meet specific project requirements, ensuring a perfect fit for any layout.
Customer reviews
-
The delivery was fast and reliable, arriving exactly when promised. All the ducting and fittings were well-packaged and in perfect condition, which made our project run smoothly without any delays.
Martin S.Commercial Kitchen Fitter -
We've been using their ducting and fittings for several months, and the quality is exceptional. The materials are durable and built to last, which has reduced rework and made installations much more efficient. Highly recommended!
Sarah T.Project Manager -
We installed their external ducting across multiple sites, and it has held up perfectly against weather and wear. The materials are tough, corrosion-resistant, and built to last, no issues even after months outside. Really reliable products.
Chris R.HVAC Installer
Quick-Fit SBBA Manual Damper – Galvanised – Nordfab